Product Summary
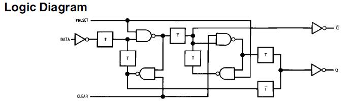
The MM74C74N dual D flip-flop is a monolithic complementary MOS (CMOS) integrated circuit constructed with N- and P-channel enhancement transistors. IThe MM74C74N has independent data, preset, clear and clock inputs and Q and Q outputs. The logic level present at the data input is transferred to the output during the positive going transition of the clock pulse. Preset or clear is independent of the clock and accomplished by a low level at the preset or clear input. The applications of the MM74C74N include Automotive, Data terminals, Instrumentation, Medical electronics, Alarm system, Industrial electronics, Remote metering, Computers.
Parametrics
MM74C74N absolute maximum ratings: (1)Voltage at Any Pin: -0.3V to VCC+0.3V; (2)Operating Temperature Range: -40℃ to +85℃; (3)Storage Temperature Range: -65℃ to +150℃; (4)Power Dissipation: Dual-In-Line: 700 mW, Small Outline: 500 mW; (5)Lead Temperature (Soldering, 10 seconds): 260℃; (6)Operating VCC Range: 3V to 15V; (7)VCC(Max): 18V.
Features
MM74C74N features: (1)Supply voltage range 3V to 15V; (2)Tenth power TTL compatible Drive 2 LPT2L loads; (3)High noise immunity 0.45 VCC (typ.); (4)Low power 50 nW (typ.); (5)Medium speed operation 10 MHz (typ.) with 10V supply.
Diagrams

| Image | Part No | Mfg | Description | ![]() |
Pricing (USD) |
Quantity | ||||
|---|---|---|---|---|---|---|---|---|---|---|
![]() |
![]() MM74C74N |
![]() Fairchild Semiconductor |
![]() Flip Flops Dl D-Type Flip-Flop |
![]() Data Sheet |
![]() Negotiable |
|
||||
![]() |
![]() MM74C74N_Q |
![]() Fairchild Semiconductor |
![]() Flip Flops Dl D-Type Flip-Flop |
![]() Data Sheet |
![]() Negotiable |
|
||||
(China (Mainland))









