Product Summary
The TD62502FNG is a 7ch Single Driver. It is comprised of seven or five NPN Transistor Arrays. Applications include relay, hammer, Lamp and display (LED) drivers.
Parametrics
Absolute maximum ratings: (1)Collector-emitter voltage, VCEO: 35 V; (2)Collector-base voltage, VCBO: 50 V; (3)Collector current, IC: 200 mA/ch; (4)Input voltage, VIN: -0.5 to 30 V; (5)Power dissipation, PD: 0.78 W; (6)Operating temperature, Topr: -40 to 85 ℃; (7)Storage temperature, Tstg: -55 to 150 ℃.
Features
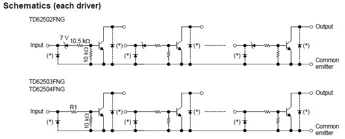
Features: (1)Output current (single output) 200 mA max; (2)High sustaining voltage output 35 V min; (3)Inputs compatible with various types of logic; (4)RIN = 10.5 kΩ+ 7 V; (5)Zener diode: 14 V to 25 V P-MOS; (6)Package type: SSOP-16 pin (0.65 mm pitch).
Diagrams

| Image | Part No | Mfg | Description | ![]() |
Pricing (USD) |
Quantity | ||||
|---|---|---|---|---|---|---|---|---|---|---|
![]() |
![]() TD62502FNG |
![]() Other |
![]() |
![]() Data Sheet |
![]() Negotiable |
|
||||
| Image | Part No | Mfg | Description | ![]() |
Pricing (USD) |
Quantity | ||||
![]() |
![]() TD62001AF |
![]() Other |
![]() |
![]() Data Sheet |
![]() Negotiable |
|
||||
![]() |
![]() TD62001AF(EL) |
![]() |
![]() IC DRIVER DARL SINK GP 7CH 16SOP |
![]() Data Sheet |
![]() Negotiable |
|
||||
![]() |
![]() TD62001AF(S) |
![]() Toshiba |
![]() IC DRIVER DARL SINK GP 7CH 16SOP |
![]() Data Sheet |
![]() Negotiable |
|
||||
![]() |
![]() TD62001AFG |
![]() Other |
![]() |
![]() Data Sheet |
![]() Negotiable |
|
||||
![]() |
![]() TD62001AFG(5,S) |
![]() Toshiba |
![]() Transistors Darlington 7CH. 50V/.5A IFD IC |
![]() Data Sheet |
![]() Negotiable |
|
||||
![]() |
![]() TD62001AFG(5,S,EL) |
![]() Toshiba |
![]() Transistors Darlington 7CH. 50V/.5A IFD IC |
![]() Data Sheet |
![]() Negotiable |
|
||||
(China (Mainland))











