Product Summary
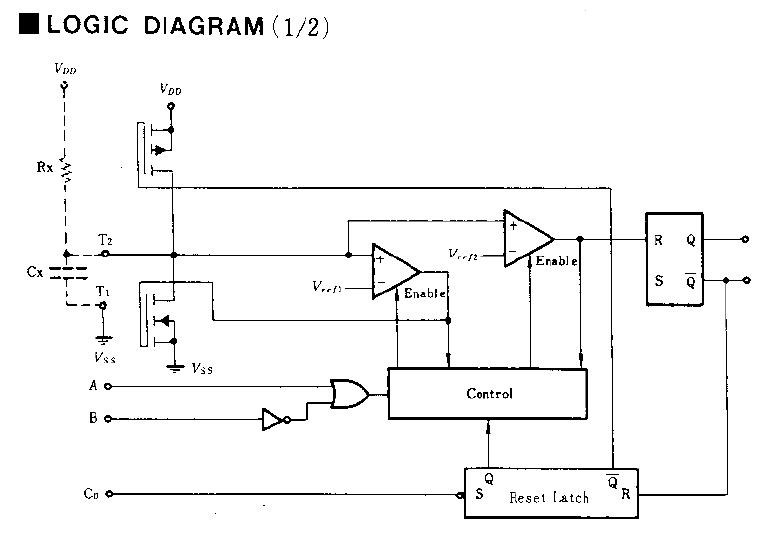
The HD14538BP is a dual, retriggerable, resettable monostable multivibrator. It may be triggered from either edge of an input pulse, and will produce an accurate output pulse over a wide range of widths, the duration and accuracy of which are determined by the external timing components, Cx and Rx. Linear CMOS techniques of HD14538BP allow more precise control of output pulse width.
Parametrics
HD14538BP absolute maximum ratings: (1)output voltage: 0.05 V max at Vin=VDD or 0; (2)input voltage: 4.95 V min at Vin=0 or VDD; (3)output drive current: -2.5 mA min at VOH=2.5V; (4)input current: ±0.3 μA max; (5)input capacitance: 5.0 pF at Vin=0; (6)quiescent current: 20 μA.
Features
HD14538BP features: (1)new formula: PWout=Rx·Cs; (2)pulse width range=10μs to ∞; (3)quiescent current=5nA/pkg typ. @ 5V; (4)3 to 18V operational limits; (5)capable of driving one low-power schottky TTL load over the rated temperature range; (6)pin-for-pin compatible with HD14528B.
Diagrams

![]() |
![]() HD14000B |
![]() Other |
![]() |
![]() Data Sheet |
![]() Negotiable |
|
||||
(China (Mainland))








