Product Summary
The TMS320F2811PBKA is a highly integrated, high-performance Digital Signal Processor for demanding control applications.
Parametrics
TMS320F2811PBKA absolute maximum ratings: (1)Supply voltage range, VDDIO, VDDA1, VDDA2, VDDAIO, and AVDDREFBG: - 0.3 V to 4.6 V; (2)Supply voltage range, VDD, VDD1: - 0.5 V to 2.5 V; (3)VDD3VFL range: - 0.3 V to 4.6 V; (4)Input voltage range, VIN: - 0.3 V to 4.6 V; (5)Output voltage range, VO: - 0.3 V to 4.6 V; (6)Input clamp current, IIK (VIN < 0 or VIN > VDDIO): 20 mA; (7)Output clamp current, IOK (VO < 0 or VO > VDDIO): 20 mA; (8)Operating ambient temperature ranges, TA: A version (GHH, PGF, PBK): - 40℃ to 85℃, TA: S version (GHH, PGF, PBK): - 40℃ to 125℃, TA: Q version (GHH, PGF, PBK): - 40℃ to 125℃; (9)Storage temperature range, Tstg: - 65℃ to 150℃.
Features
TMS320F2811PBKA features: (1)High-Performance Static CMOS Technology: 150 MHz (6.67-ns Cycle Time), Low-Power (1.8-V Core @135 MHz, 1.9-V Core @150 MHz, 3.3-V I/O) Design; (2)JTAG Boundary Scan Support High-Performance 32-Bit CPU (TMS320C28x): 16 x 16 and 32 x 32 MAC Operations, 16 x 16 Dual MAC, Harvard Bus Architecture; (3)On-Chip Memory: Flash Devices: Up to 128K x 16 Flash (Four 8K x 16 and Six 16K x 16 Sectors), ROM Devices: Up to 128K x 16 ROM, 1K x 16 OTP ROM; (4)Boot ROM (4K x 16): With Software Boot Modes, Standard Math Tables.
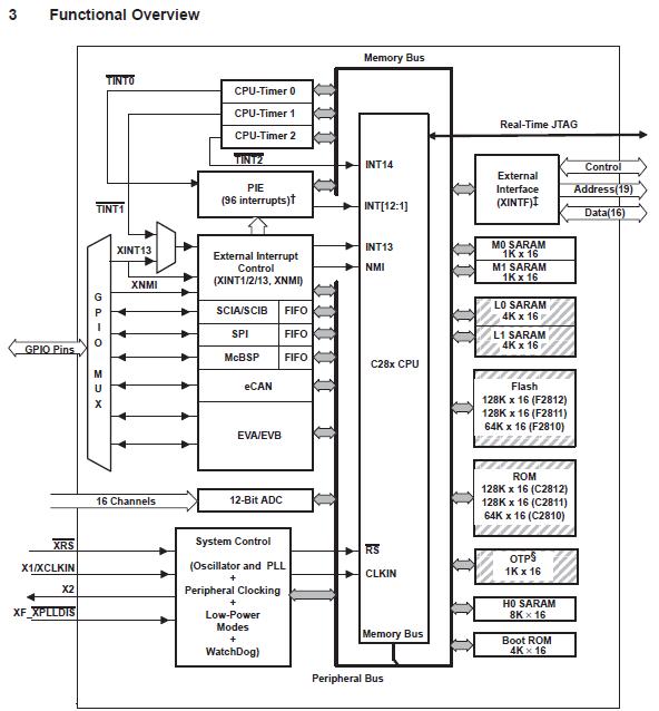
Diagrams

| Image | Part No | Mfg | Description | ![]() |
Pricing (USD) |
Quantity | ||||||||||||
|---|---|---|---|---|---|---|---|---|---|---|---|---|---|---|---|---|---|---|
![]() |
![]() TMS320F2811PBKA |
![]() Texas Instruments |
![]() Digital Signal Processors & Controllers (DSP, DSC) 32-Bit Digital Sig Controller w/Flash |
![]() Data Sheet |
![]()
|
|
||||||||||||
| Image | Part No | Mfg | Description | ![]() |
Pricing (USD) |
Quantity | ||||||||||||
![]() |
![]() TMS3112 |
![]() Other |
![]() |
![]() Data Sheet |
![]() Negotiable |
|
||||||||||||
![]() |
![]() TMS3121 |
![]() Other |
![]() |
![]() Data Sheet |
![]() Negotiable |
|
||||||||||||
![]() |
![]() TMS320 |
![]() Other |
![]() |
![]() Data Sheet |
![]() Negotiable |
|
||||||||||||
![]() |
![]() TMS32010 |
![]() Other |
![]() |
![]() Data Sheet |
![]() Negotiable |
|
||||||||||||
![]() |
![]() TMS320AV7110 |
![]() Other |
![]() |
![]() Data Sheet |
![]() Negotiable |
|
||||||||||||
![]() |
![]() TMS320BC51PQ100 |
![]() Texas Instruments |
![]() Digital Signal Processors & Controllers (DSP, DSC) TMS320C51PQ - 132QFP - 100MHZ/BOOT CODE |
![]() Data Sheet |
![]() Negotiable |
|
||||||||||||
(China (Mainland))










