Product Summary
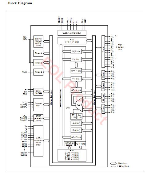
The HD404614A03FS is a 4-Bit Single-Chip Microcomputer. It is designed with the powerful and efficient architecture of the HMCS400 family.
Parametrics
Absolute maximum ratings: (1)Supply voltage:–0.3V to +7.0V; (2)Programming voltage:–0.3V to +14.0V; (3)Pin voltage:–0.3V to (VCC + 0.3)V; (4)Total permissible input current:100mA; (5)Total permissible output current:50mA; (6)Maximum output current:4mA; (7)Operating temperature:–20℃ to +75℃; (8)Storage temperature:–55℃ to +125℃.
Features
Features: (1)4096-word × 10-bit ROM ; (2)1184-digit × 4-bit RAM; (3)30 I/O pins:10 high-current output pins,CMOS I/O pin circuit configuration,Input/output pull-up MOS can be selected by software; (4)On-chip DTMF generator; (5)LCD controller/driver (32 segments × 4 commons); (6)Three timer/counters; (7)Clock-synchronous 8-bit serial interface; (8)Six interrupt sources:Two by external sources, Four by internal sources.
Diagrams

![]() |
![]() HD404019R |
![]() Other |
![]() |
![]() Data Sheet |
![]() Negotiable |
|
||||
![]() |
![]() HD404019RFS |
![]() Other |
![]() |
![]() Data Sheet |
![]() Negotiable |
|
||||
![]() |
![]() HD404019RH |
![]() Other |
![]() |
![]() Data Sheet |
![]() Negotiable |
|
||||
![]() |
![]() HD404019RS |
![]() Other |
![]() |
![]() Data Sheet |
![]() Negotiable |
|
||||
![]() |
![]() HD404054 |
![]() Other |
![]() |
![]() Data Sheet |
![]() Negotiable |
|
||||
![]() |
![]() HD404094 |
![]() Other |
![]() |
![]() Data Sheet |
![]() Negotiable |
|
||||
(China (Mainland))








