Product Summary
The BF074G0104J is a cap polyfilm box. The applications of it are Supply decoupling, Filter, Integrators, Treatment of analog signals, Rejection of line perturbations, etc.
Parametrics
BF074G0104J general specifications: (1)Climatic Category:55/100/56 Performance Class 2; (2)Capacitance Range:CR 1nF to 2.2μF (E12); (3)Tolerance on CR:±5%; ±10%(other values on request); (4)Nominal Voltages:VR_ 63/100/250/400/630V, VR~ 40/63/160/200/220V; (5)Category Voltage Vc = 0.8VR- at 100℃; (6)Test Voltage Ve = 1.6VR-/2s at 25℃.
Features
BF074G0104J features: (1)Leads: Radial tin - plated wire; (2)Protection: Plastic case (UL 94: V-O) / Epoxy Resin; (3)Marking: Logo; (4)Nominal Capacitance; (5)Tolerance (EIA); (6)DC Nominal Voltage; (7)Example: T 100nK 63; (8)Delivery Mode: Bulk; (9)Taped (reel or ammopack).
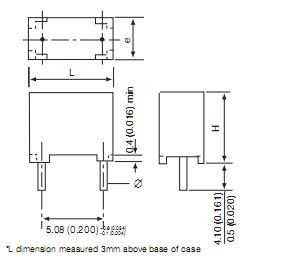
Diagrams

| Image | Part No | Mfg | Description | ![]() |
Pricing (USD) |
Quantity | ||||
|---|---|---|---|---|---|---|---|---|---|---|
![]() |
![]() BF074G0104J |
![]() AVX |
![]() Film Capacitors 250volts .1uF 5% |
![]() Data Sheet |
![]() Negotiable |
|
||||
![]() |
![]() BF074G0104J-- |
![]() |
![]() CAP FILM 0.1UF 250VDC RADIAL |
![]() Data Sheet |
![]() Negotiable |
|
||||
(China (Mainland))










