Product Summary
The 2SD315AI is a Silicon NPN Power Transistor. The applications of the 2SD315AI include audio frequency power amplifier application.
Parametrics
2SD315AI absolute maximum ratings: (1)Collector-base voltage: 60 V at Open emitter; (2)Collector-emitter voltage: 60 V at Open base; (3)Emitter-base voltage: 5 V at Open collector; (4)Collector current: 4 A; (5)Collector current-peak: 10 A; (6)Collector power dissipation: 35 W at TC=25℃; (7)Junction temperature: 150 ℃; (8)Storage temperature: -40 to 150 ℃.
Features
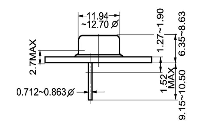
2SD315AI features: (1)With TO-66 package; (2)Complement to type 2SB509.
Diagrams

![]() |
![]() 2SD313 |
![]() Other |
![]() |
![]() Data Sheet |
![]() Negotiable |
|
||||
![]() |
![]() 2SD315 |
![]() Other |
![]() |
![]() Data Sheet |
![]() Negotiable |
|
||||
![]() |
![]() 2SD315A |
![]() Other |
![]() |
![]() Data Sheet |
![]() Negotiable |
|
||||
![]() |
![]() 2SD325 |
![]() Other |
![]() |
![]() Data Sheet |
![]() Negotiable |
|
||||
![]() |
![]() 2SD334 |
![]() Other |
![]() |
![]() Data Sheet |
![]() Negotiable |
|
||||
![]() |
![]() 2SD350A |
![]() Other |
![]() |
![]() Data Sheet |
![]() Negotiable |
|
||||
(China (Mainland))








