Product Summary
The KTC3875S-Y-RTK/P is a semiconductor. The KTC3875S-Y-RTK/P has general purpose application and switching application.
Parametrics
KTC3875S-Y-RTK/P maximum rating: (1)Collector-Base Voltage VCBO: 60 V; (2)Collector-Emitter Voltage VCEO: 50 V; (3)Emitter-Base Voltage VEBO: 5 V; (4)Collector Current IC: 150 mA; (5)Base Current IB: 30 mA; (6)Collector Power Dissipation PC: 150 mW; (7)Junction Temperature Tj: 150℃; (8)Storage Temperature Range Tstg: -55 to 150℃.
Features
KTC3875S-Y-RTK/P features: (1)Excellent hFE Linearity: hFE(0.1mA)/hFE(2mA)=0.95(Typ.); (2)High hFE: hFE=70 to 700; (3)Low Noise: NF=1dB(Typ.), 10dB(Max.); (4)Complementary to KTA1504S.
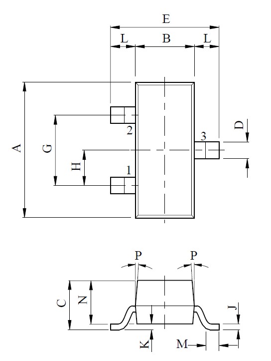
Diagrams

![]() |
![]() KTC3072D |
![]() Other |
![]() |
![]() Data Sheet |
![]() Negotiable |
|
||||
![]() |
![]() KTC3072L |
![]() Other |
![]() |
![]() Data Sheet |
![]() Negotiable |
|
||||
![]() |
![]() KTC3114 |
![]() Other |
![]() |
![]() Data Sheet |
![]() Negotiable |
|
||||
![]() |
![]() KTC3199 |
![]() Other |
![]() |
![]() Data Sheet |
![]() Negotiable |
|
||||
![]() |
![]() KTC3205 |
![]() Other |
![]() |
![]() Data Sheet |
![]() Negotiable |
|
||||
![]() |
![]() KTC3207 |
![]() Other |
![]() |
![]() Data Sheet |
![]() Negotiable |
|
||||
(China (Mainland))








