Product Summary
The KDS184-RTK/P is a silicon epitaxial planar diode.
Parametrics
KDS184-RTK/P absolute maximum ratings: (1)Peak reverse voltage, VRM: 85V; (2)Reverse voltage, VR: 80V; (3)Peak forward current, IFM: 300mA; (4)Average forward current, IO: 100mA; (5)Surge current, IFSM: 2A; (6)Power dissipation, PD: 150mW; (7)Junction temperature, Tj: 150℃; (8)Storage temperature range, Tstg: -55 to 150℃.
Features
KDS184-RTK/P features: (1)Small package; (2)Low forward voltage; (3)Fast reverse recovery time; (4)Small total capacitance.
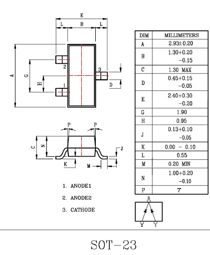
Diagrams

![]() |
![]() KDS1001AF2 |
![]() Other |
![]() |
![]() Data Sheet |
![]() Negotiable |
|
||||||||||||
![]() |
![]() KDS11 |
![]() C&K Components |
![]() Detector Switches DETECT |
![]() Data Sheet |
![]()
|
|
||||||||||||
![]() |
![]() KDS114WS |
![]() Other |
![]() |
![]() Data Sheet |
![]() Negotiable |
|
||||||||||||
![]() |
![]() KDS135 |
![]() Other |
![]() |
![]() Data Sheet |
![]() Negotiable |
|
||||||||||||
![]() |
![]() KDS142E |
![]() Other |
![]() |
![]() Data Sheet |
![]() Negotiable |
|
||||||||||||
![]() |
![]() KDS1102RSWC12CB |
![]() |
![]() SWITCH DETECTOR SPST/NO W/WIRES |
![]() Data Sheet |
![]() Negotiable |
|
||||||||||||
(China (Mainland))










