Product Summary
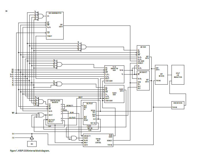
The HDSP-2534 is a 5 mm Smart Alphanumeric Display. It is ideal for applications where displaying eight or more characters of dot matrix information in an aesthetically pleasing manner is required. The on-board CMOS IC has the ability to decode 128 ASCII characters, which are permanently stored in ROM. In addition, 16 programmable symbols may be stored in on-board RAM. The HDSP-2534 is designed for standard microprocessor interface techniques. The display and special features are accessed through a bidirectional eight-bit data bus. The applications of the HDSP-2534 are Avionics, Computer peripherals, Industrial instrumentation, Medical equipment, Portable data entry devices, Telecommunications, Test equipment.
Parametrics
HDSP-2534 absolute maximum ratings: (1)Supply Voltage, VDD to Ground:-0.3V to 7.0V; (2)Operating Voltage, VDD to Ground:5.5V; (3)Input Voltage, Any Pin to Ground:-0.3V to VDD +0.3V; (4)Free Air Operating Temperature Range, TA:-40℃ to + 85℃; (5)Relative Humidity (Noncondensing):85%; (6)Storage Temperature Range, TS:-55℃ to 100℃; (7)Soldering Temperature [1.59 mm (0.063 in.) Below Body]:Solder Dipping:260℃ for 5 secs, Wave Soldering:250℃ for 3 secs; (8)ESD Protection @ 1.5 kΩ, 100 pF:4 kV (each pin).
Features
HDSP-2534 features: (1)XY stackable; (2)128 character ASCII decoder; (3)Programmable functions; (4)16 user defnable characters; (5)Multi-level dimming and blanking; (6)TTL compatible CMOS IC; (7)Wave solderable.
Diagrams

| Image | Part No | Mfg | Description | ![]() |
Pricing (USD) |
Quantity | ||||||||||||
|---|---|---|---|---|---|---|---|---|---|---|---|---|---|---|---|---|---|---|
![]() |
![]() HDSP-2534 |
![]() Avago Technologies |
![]() LED Displays & Accessories Red 637nm 5x7 Smart Display |
![]() Data Sheet |
![]()
|
|
||||||||||||
| Image | Part No | Mfg | Description | ![]() |
Pricing (USD) |
Quantity | ||||||||||||
![]() |
![]() HDSP-0760 |
![]() Avago Technologies |
![]() LED Displays & Accessories Red 626nm Hex and Numeric |
![]() Data Sheet |
![]()
|
|
||||||||||||
![]() |
![]() HDSP-0761 |
![]() Avago Technologies |
![]() LED Displays & Accessories Red 626nm Hex and Numeric |
![]() Data Sheet |
![]()
|
|
||||||||||||
![]() |
![]() HDSP-0762 |
![]() Avago Technologies |
![]() LED Displays & Accessories Red 626nm Hex and Numeric |
![]() Data Sheet |
![]()
|
|
||||||||||||
![]() |
![]() HDSP-0763 |
![]() Avago Technologies |
![]() LED Displays & Accessories Red 626nm Hex and Numeric |
![]() Data Sheet |
![]()
|
|
||||||||||||
![]() |
![]() HDSP-076x |
![]() Other |
![]() |
![]() Data Sheet |
![]() Negotiable |
|
||||||||||||
![]() |
![]() HDSP-0770 |
![]() Avago Technologies |
![]() LED Displays & Accessories Red 626nm Hex and Numeric |
![]() Data Sheet |
![]()
|
|
||||||||||||
(China (Mainland))










