Product Summary
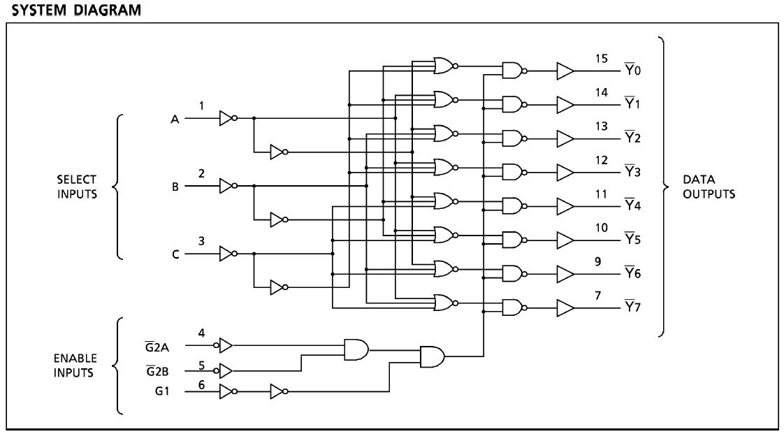
The TC74VHCT138AFT is an advanced high speed CMOS 3 to 8 line decoder fabricated with silicon gate C2MOS technology. The TC74VHCT138AFT achieves the high speed operation similar to equivalent bipolar schottky TTL while maintaining the CMOS low power dissipation. When the TC74VHCT138AFT is enabled, 3 binary select inputs determin which one of the outputs will go down. Input protection and output circuit ensure that 0 to 5.5V can be applied to the input and output pins without regard to the supply voltage. These structure prevents device destruction due to mismatched supply and input/output votlages.
Parametrics
TC74VHCT138AFT absolute maximum ratings: (1)supply voltage range, VCC: -0.5 to 7.0V; (2)DC input voltage, VIN: -0.5 to 7.0V; (3)DC output voltage, VOUT: -0.5 to 7.0V; (4)input diode current, IIK: -20mA; (5)output diode current, IOK: ±20mA; (6)DC output current, IOUT: ±25mA; (7)DC VCC/ground current, IC: ±75mA; (8)power dissipation, PD: 180mW; (9)storage temperature, Tstg: -65 to 150℃.
Features
TC74VHCT138AFT features: (1)high speed: tpd=7.6ns typ at VCC=5V; (2)low power dissipation: ICC=4μA max at Ta=25℃; (3)compatible with TTL outputs: VIL=0.8V max; VIH=2.0V min; (4)power down protection is provided on all inputs and outputs; (5)balanced propagation delays: tPLH=tpHL; (6)pin and function compatible with the 74 series 138 typ.
Diagrams

| Image | Part No | Mfg | Description | ![]() |
Pricing (USD) |
Quantity | ||||||||||||
|---|---|---|---|---|---|---|---|---|---|---|---|---|---|---|---|---|---|---|
![]() |
![]() TC74VHCT138AFT(EL) |
![]() |
![]() IC DECODER 3-TO-8 LINE 16-TSSOP |
![]() Data Sheet |
![]()
|
|
||||||||||||
| Image | Part No | Mfg | Description | ![]() |
Pricing (USD) |
Quantity | ||||||||||||
![]() |
![]() TC74 |
![]() Cornell Dubilier |
![]() Aluminum Electrolytic Capacitors - Leaded TUB ELEC CAP 450WVDC |
![]() Data Sheet |
![]()
|
|
||||||||||||
![]() |
![]() TC7400BP |
![]() Other |
![]() |
![]() Data Sheet |
![]() Negotiable |
|
||||||||||||
![]() |
![]() TC7404UBP |
![]() Other |
![]() |
![]() Data Sheet |
![]() Negotiable |
|
||||||||||||
![]() |
![]() TC74A0-3.3VAT |
![]() Microchip Technology |
![]() Board Mount Temperature Sensors Digital Thermal |
![]() Data Sheet |
![]()
|
|
||||||||||||
![]() |
![]() TC74A0-3.3VCTTR |
![]() Microchip Technology |
![]() Board Mount Temperature Sensors Digital Thermal |
![]() Data Sheet |
![]()
|
|
||||||||||||
![]() |
![]() TC74A0-3.3VCTTRG |
![]() Microchip Technology |
![]() Board Mount Temperature Sensors Digital Thermal |
![]() Data Sheet |
![]() Negotiable |
|
||||||||||||
(China (Mainland))










